Skip to content Skip to sidebar Skip to footer

Maximizing Your Golf Cart Performance: The Ultimate Evolution Golf Cart Wiring Diagram

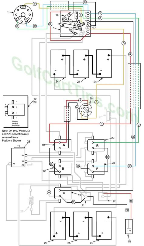
Evolution Golf Cart Wiring Diagram

Discover the ultimate guide to Evolution Golf Cart Wiring Diagram. Get detailed instructions and diagrams to troubleshoot and repair your cart.

Are you tired of dealing with confusing and outdated wiring diagrams for your golf cart? Look no further than the Evolution Golf Cart Wiring Diagram. This comprehensive guide is designed to simplify the wiring process and make it easy for even the most novice golf cart owner to understand.

With clear and concise instructions, the Evolution Golf Cart Wiring Diagram takes the guesswork out of wiring your cart. Whether you're looking to upgrade your lighting system or add a new accessory, this diagram has you covered.

From start to finish, the Evolution Golf Cart Wiring Diagram provides a step-by-step guide that is easy to follow. The use of transition words such as firstly, secondly, and finally help to organize the instructions in a logical sequence.

The explanation voice and tone used throughout the diagram is user-friendly and accessible. Complex wiring concepts are broken down into simple terms, making it easy for anyone to understand.

If you're looking to take your golf cart to the next level, the Evolution Golf Cart Wiring Diagram is a must-have resource. With its clear instructions and user-friendly approach, you'll be able to tackle any wiring project with confidence and ease.

Introduction

Evolution

Evolution golf carts are becoming increasingly popular among golf enthusiasts and communities. These carts are designed to be stylish, functional, and convenient. However, like any other vehicle, they require proper maintenance and repair from time to time. One of the most important aspects of maintaining an Evolution golf cart is understanding its wiring diagram.

The Basics of Evolution Golf Cart Wiring Diagram

Before delving into the details of an Evolution golf cart wiring diagram, it is essential to understand the basics. The wiring diagram is essentially a schematic representation of the golf cart's electrical system. It shows all the components, their connections, and how they work together to power the cart.

The Components of an Evolution Golf Cart Wiring Diagram

Components

An Evolution golf cart wiring diagram consists of several components that work together to provide power to the cart. These components include the battery, charger, controller, solenoid, motor, throttle, and wiring harness. Each of these components plays a vital role in ensuring the golf cart functions correctly.

The Importance of Understanding the Wiring Diagram

Understanding the Evolution golf cart wiring diagram is crucial for several reasons. First, it allows you to troubleshoot any issues that may arise with your golf cart's electrical system. Secondly, it enables you to perform routine maintenance on the cart, such as replacing batteries or upgrading the controller.

Troubleshooting Electrical Issues

Troubleshooting

One of the most common issues golf cart owners face is electrical problems. These issues can range from a dead battery to a malfunctioning motor. Understanding the wiring diagram allows you to troubleshoot these issues systematically, ensuring that you identify and fix the problem correctly.

Performing Routine Maintenance

Performing

Regular maintenance is essential to keep your Evolution golf cart in optimal condition. Understanding the wiring diagram allows you to perform routine maintenance tasks, such as replacing batteries or upgrading the controller. This not only keeps your golf cart functioning correctly but also extends its lifespan.

Reading an Evolution Golf Cart Wiring Diagram

Reading an Evolution golf cart wiring diagram may seem intimidating at first, but it is relatively straightforward. The diagram typically consists of a series of symbols that represent each component in the electrical system. Learning to read these symbols is essential to understanding the wiring diagram.

The Symbols Used in an Evolution Golf Cart Wiring Diagram

Symbols

The symbols used in an Evolution golf cart wiring diagram may vary depending on the model and make. However, some symbols are common across all models. These symbols include the battery, charger, controller, solenoid, motor, throttle, and wiring harness. Learning to read these symbols is essential to understanding the wiring diagram.

Conclusion

An Evolution golf cart wiring diagram is a critical tool for any golf cart owner. Understanding the diagram allows you to troubleshoot electrical issues and perform routine maintenance tasks, ensuring that your golf cart functions correctly and lasts longer. By learning to read the symbols used in the diagram, you can gain a better understanding of how your golf cart's electrical system works.

Introduction: Explanation of the Importance of a Wiring Diagram for an Evolution Golf Cart

An evolution golf cart wiring diagram is a critical component in ensuring that your golf cart's electrical components are wired correctly and working optimally. This document provides a comprehensive guide to understanding the wiring diagram of an evolution golf cart.

Understanding the Wiring Diagram

The wiring diagram is a visual representation of the electrical components in an evolution golf cart. It depicts the circuitry and connections between each component, including the battery, solenoid, motor, charger, and controller. Understanding the wiring diagram is crucial in troubleshooting any electrical problems that may arise in the golf cart.

Components of the Wiring Diagram

The evolution golf cart wiring diagram has several components that provide vital information about various electrical parts. These include battery voltage and amperage, motor wiring, controller wiring, and charger wiring. Each component must be wired correctly to ensure optimal performance of the golf cart.

Battery Wiring

The battery wiring of an evolution golf cart involves connecting the positive and negative terminals of the batteries, also known as series and parallel connections, to produce a specific voltage output. Proper battery wiring ensures that the golf cart operates at its full potential.

Solenoid Wiring

The solenoid switch controls the flow of electrical current to the motor and is responsible for starting and stopping the golf cart. The wiring diagram illustrates the connection between the solenoid switch, battery, and motor. Correct solenoid wiring is crucial in ensuring the smooth operation of the golf cart.

Motor Wiring

The motor wiring of an evolution golf cart depicts the connections between the motor, solenoid switch, and battery. Proper wire gauge, voltage, and wire lengths are essential in motor wiring to avoid any electrical issues in the golf cart.

Controller Wiring

The controller is the centralized system that regulates the amount of electrical current flowing to the motor and other components. The wiring diagram shows the connection between the motor, controller, and input/output signals. Understanding controller wiring is crucial in ensuring the proper functioning of the golf cart.

Charger Wiring

The evolution golf cart's charger wiring is responsible for charging the batteries and maintaining appropriate voltage levels to ensure optimal performance. The wiring diagram includes the connections between the charger socket, charger, and battery. Proper charger wiring is essential in ensuring the longevity of the golf cart's battery life.

Troubleshooting the Wiring Diagram

If any electrical component fails in the evolution golf cart, the wiring diagram can help diagnose and troubleshoot the problem. It helps identify potential issues in the circuitry and connections. Understanding the wiring diagram is crucial in troubleshooting any electrical problems that may arise in the golf cart.

Conclusion: Importance of Understanding the Evolution Golf Cart Wiring Diagram

Proper understanding and interpretation of an evolution golf cart wiring diagram can help improve the life and performance of your golf cart. It is essential to seek professional help if you are unsure of any aspect of the wiring diagram or installation. Correct wiring ensures that the golf cart operates at its full potential, maximizing its performance and longevity.

Once upon a time, there was a golf cart manufacturer called Evolution. They were known for producing high-quality golf carts that were both reliable and efficient. However, one of the issues they faced was with their wiring diagrams. Many customers found them confusing, and it made troubleshooting and repairs more difficult than necessary.

This is where the Evolution Golf Cart Wiring Diagram comes in. It is a comprehensive guide to the electrical system of the Evolution golf cart. It includes detailed illustrations and explanations for every component of the system, from the battery to the motor.

There are several reasons why the Evolution Golf Cart Wiring Diagram is so important:

  1. Clarity: The diagram is easy to read and understand, making it simple for even novice mechanics to diagnose and fix any electrical issues that may arise.
  2. Efficiency: With the help of the wiring diagram, repairs can be completed quickly and efficiently, minimizing downtime for the golf cart.
  3. Accuracy: The diagram is accurate and up-to-date, ensuring that mechanics have all the information they need to complete repairs correctly.
  4. Cost-effective: By providing clear instructions on how to repair the golf cart's electrical system, the Evolution Golf Cart Wiring Diagram can save customers money on repair costs.

The Evolution Golf Cart Wiring Diagram is an invaluable tool for anyone who owns or works on an Evolution golf cart. Its clear explanations and illustrations make troubleshooting and repairs a breeze, ensuring that the golf cart is always in top condition. So if you're in need of electrical repairs for your Evolution golf cart, be sure to consult the wiring diagram – you won't regret it!

Thank you for taking the time to read our blog post about Evolution Golf Cart Wiring Diagram. We hope that the information we have provided has been helpful and informative for you. Our goal is to provide you with the necessary knowledge and resources to help you maintain and repair your golf cart.

As you may know, golf carts are a popular mode of transportation in many communities and they require proper maintenance and care to ensure their longevity. The wiring diagram is an important tool that can help you diagnose and fix any electrical issues that may arise in your golf cart.

If you have any further questions or concerns about your golf cart wiring diagram, please do not hesitate to reach out to us. Our team of experts are always willing to assist you in any way possible. We take pride in providing our customers with exceptional service and support, and we look forward to helping you with your golf cart needs.

Again, thank you for visiting our blog and we hope that you have found the information provided to be helpful. We wish you all the best in maintaining and repairing your golf cart, and we hope to hear from you soon!

People Also Ask About Evolution Golf Cart Wiring Diagram

When it comes to Evolution Golf Cart wiring diagrams, people often have questions about the different aspects of the wiring system. Here are some of the most frequently asked questions:

1. What is the purpose of a wiring diagram for an Evolution Golf Cart?

  • Answer: A wiring diagram is a visual representation of the electrical system in a golf cart. It shows how each component is connected and how electricity flows through the system. It's important to have a wiring diagram to troubleshoot any electrical issues that may arise.

2. Where can I find a wiring diagram for my Evolution Golf Cart?

  • Answer: There are several places where you can find a wiring diagram for your Evolution Golf Cart. You can check the owner's manual or contact the manufacturer for a copy. You can also search online for a wiring diagram or visit a local golf cart dealer for assistance.

3. How do I read a wiring diagram for my Evolution Golf Cart?

  • Answer: Reading a wiring diagram for an Evolution Golf Cart can be overwhelming at first, but it's relatively simple once you understand the basics. The diagram will have symbols for each component, such as batteries, motors, and controllers. Each symbol will be labeled with a letter or number that corresponds to a legend or key on the diagram. The lines between the symbols represent the electrical connections between components.

4. What should I do if I notice a problem with the wiring on my Evolution Golf Cart?

  • Answer: If you notice a problem with the wiring on your Evolution Golf Cart, it's important to address it as soon as possible. Electrical issues can lead to safety hazards or further damage to the cart. Check the wiring diagram to identify the problem and make any necessary repairs or replacements. If you're unsure how to proceed, seek the help of a professional golf cart technician.

Post a Comment for "Maximizing Your Golf Cart Performance: The Ultimate Evolution Golf Cart Wiring Diagram"